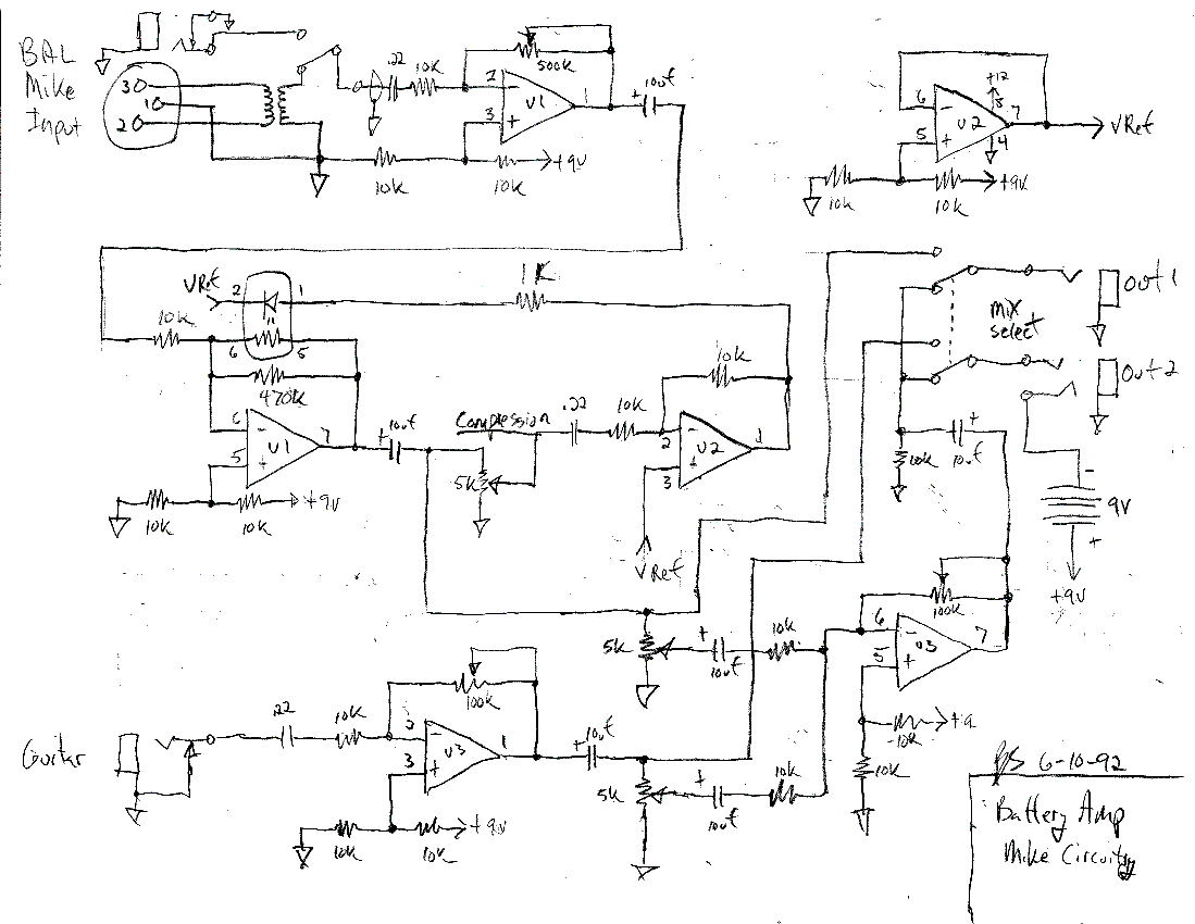
Battery Amp

The Battery Amp is a combination mic preamp, compressor, guitar preamp and a mixer (to mix the guitar and mic signal). I had originally designed an built it into an old Sony Walkman chassis as a sort of belt pack. I never used it too much but I think the design was OK. If you can get some use out of it, go for it.

This is the schematic: